В чем разница между моделями систем увлажнения воздуха Buhler-AHS: Manitoba и Playgreen
Компания Buhler-AHS предлагает две линейки продукции – Manitoba и Playgreen.
Давайте разберемся, в чем разница.
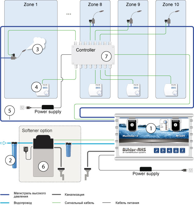
Основное отличие состоит в принципе построения контура высокого давления с форсунками. В системе Manitoba существует магистральное кольцо из трубки высокого давления, от которого при помощи Т-образных ответвлений отходят трубки к форсункам. Причем форсунки эти активные – в конструкцию включен электромагнитный клапан, регулирующий подачу воды на форсунку. Вода в магистральном кольце постоянно находится под напором, если есть запрос на увлажнение хотя бы для одной форсунки. А распыление воды каждой форсункой регулируется ее собственным клапаном.

В системе Playgreen активных форсунок, то есть имеющих автоматически регулируемый клапан, нет. Форсунки имеют прямое присоединение к магистрали высокого давления. Это значит, что все форсунки распыляют воду, когда в магистраль подается вода под напором. Таких магистралей в системе Playgreen уже две, в отличие от одной у Manitoba. Обе магистрали управляются независимо, поэтому все форсунки можно разделить на две группы, необязательно одинаковые.
Каждая группа форсунок будет распылять воду сама по себе в зависимости от необходимой и фактической влажности. Таким образом, регулирующие подачу воды под давлением клапаны находятся внутри центрального модуля Playgreen. Специальная конструкция помогает быстро набирать и быстро сбрасывать давление в магистралях. Это необходимо для защиты от появления капелек на форсунках в том момент, когда давление еще недостаточно высоко.

Manitoba
Типичное применение:
- дома и квартиры с большим количеством разных помещений
- офисы с большим количеством кабинетов
Достоинства:
- независимое управление влажностью в комнатах
- суммарная длина трубы высокого давления, как правило, меньше
Недостатки:
- форсунки дороже
- общая стоимость системы, как правило, выше
- во время включения форсунки слышен пусть тихий, но щелчок
Playgreen
Типичное применение:
- жилые пространства с несколькими большими объемами
- офисы с большими открытыми пространствами
- серверные
- чистые производства
- музеи
- оранжереи
Достоинства:
- форсунки дешевле
- нет необходимости тянуть кабели к форсункам
Недостатки:
- всего две независимые группы форсунок
- если форсунки из одной и той же группы находятся в разных комнатах, итоговая влажность в них может несколько отличаться
Ваша команда Buhler-AHS Russia
Новая опция от Buhler-AHS – встроенный измеритель чистоты воды
Революция 17 года в системах увлажнения воздуха