Энергоэффективная схема холодоснабжения с водо-водяным чиллером и системой фрикулинга
Среди энергоэффективных решений в системах холодоснабжения, работающих круглогодично, самым очевидным является применение фрикулинга (от английского free cooling, дословно переводится как свободное охлаждение), который предназначен для охлаждения промежуточного хладоносителя в сухом охладителе, без использования контура хладагента в холодное время года.
Применение такой схемы, когда в теплое время года используется контур хладагента, а в холодное фрикулинг имеет несколько существенных достоинств:
- Значительно уменьшается потребление электроэнергии в холодный период года;
- Увеличивается срок службы компрессоров чиллера;
- Отсутствует ограничение работы системы по минимальной наружной температуре.
При температуре наружного воздуха ниже -15°С такая система работает стабильней и исключает «тяжелые» условия эксплуатации чиллера.
Ориентировочный срок окупаемости системы фрикулинга зависит от капитальных затрат, времени использования естественного холода, разницы потребляемых мощностей, тарифов на электроэнергию и других факторов. Обоснованность применения фрикулинга в холодильной системе в большей степени зависит от количества дней в году со среднесуточной температурой ниже температуры хладоносителя для данной местности. Пример для некоторых городов России из СНиП 23-01-99 «Строительная климатология»:
|
Город |
Продолжительность суток, со средней суточной температурой воздуха |
||
|
≤ 0 °С |
≤ 8 °С |
≤ 10 °С |
|
|
Архангельск |
177 |
253 |
273 |
|
Екатеринбург |
168 |
230 |
245 |
|
Иркутск |
177 |
240 |
258 |
|
Казань |
156 |
215 |
229 |
|
Москва |
145 |
214 |
231 |
|
Мурманск |
187 |
275 |
302 |
|
Нижний Новгород |
151 |
215 |
231 |
|
Новосибирск |
178 |
230 |
243 |
|
Санкт-Петербург |
139 |
220 |
239 |
Время использования фрикулинга зависит не только от уличной температуры, но и от схемного решения. Рассмотрим наиболее часто применяемые схемы.
Схема 1. Чиллер наружного размещения с сухим охладителем.
Хладоноситель – гликолевый раствор. Если невозможно его использование во всей системе, то контур разделяют промежуточным теплообменником на водяной и гликолевый контуры с насосной группой в каждом.
Теплый период года (Рис. 1).
Хладоноситель через трехходовой клапан направляется в испаритель, где происходит его охлаждение до заданной температуры. То есть используется только чиллер.
Переходный период (Рис. 2).
Хладоноситель через трехходовой клапан направляется сначала в сухой охладитель, где происходит его частичное охлаждение, затем в испаритель, где происходит доохлаждение до заданной температуры. То есть контур хладагента и фрикулинг используются совместно.
Холодный период (Рис. 3).
Хладоноситель через трехходовой клапан направляется в сухой охладитель, где происходит его охлаждение до заданной температуры, затем в испаритель. Компрессоры в этом случае не включаются, так как заданная температура достигнута. То есть используется только фрикулинг.
Такая схема имеет хорошие показатели энергоэффективности, однако применение чиллера наружного размещения не всегда возможно.
Схема 2. Чиллер внутреннего размещения, сухой охладитель и промежуточный теплообменник (два режима работы).
Теплый период года (Рис. 4).
Вода трехходовыми клапанами направляется в испаритель, где происходит ее охлаждение до заданной температуры. Теплота конденсации переносится гликолевым раствором через трехходовые клапаны в сухой охладитель и сбрасывается в атмосферу. То есть используется только чиллер.
Холодный период (Рис. 5).
Вода трехходовыми клапанами направляется в промежуточный теплообменник, где происходит ее охлаждение до заданной температуры. Трехходовые клапаны направляют охлажденный в сухом охладителе гликолевый раствор в промежуточный теплообменник для охлаждения воды. То есть используется только фрикулинг.
Такая схема вполне работоспособна и проста, но при ее применении невозможно совместное использование контура хладагента и фрикулинга в переходный период.
Нашей компанией была разработана схема холодильной системы с фрикулингом на базе водо-водяного чиллера Aircut, которая позволяет в переходный период совместно использовать контур хладагента и фрикулинг.
Система включает в себя следующие основные элементы: чиллер (вода-вода), сухая градирня, промежуточный теплообменник и две насосные группы. Первая насосная группа на стороне охлаждаемой воды в контуре потребителей холода, промежуточного теплообменника и испарителя чиллера, вторая на стороне гликолевого раствора в контуре сухой градирни, промежуточного теплообменника и конденсатора чиллера. Холодильная система включает в себя интегрированную автоматику, осуществляющую полностью автоматическое управление и регулирование.
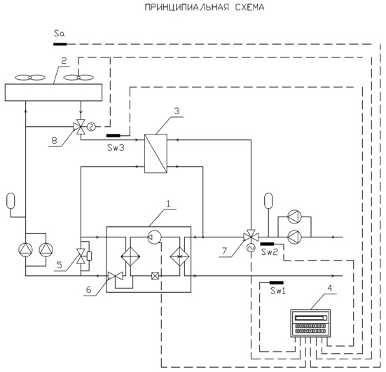
Схема 3. Чиллер внутреннего размещения, сухой охладитель и промежуточный теплообменник (три режима работы).
|
1 – Чиллер 2 – Сухая градирня 3 – Промежуточный теплообменник 4 – Контроллер 5 – Перепускной клапан 6 – 2-х ходовой клапан – регулятор давления конденсации в составе чиллера 7 – 3-х ходовой клапан переключения в режим «freecooling» 8 – 3-х ходовой клапан регулирования производительности промежуточного теплообменного агрегата |
Sw1 – датчик температуры охлаждаемой воды Sw2 – датчик температуры обратной воды Sw3 – датчик температуры гликолевого раствора на входе в промежуточный теплообменник Sa – датчик температуры наружного воздуха |
Теплый период.
Водяной контур.
При температуре окружающего воздуха (по датчику Sa) выше температуры обратной воды (по датчику Sw2), вода через трехходовой клапан поступает напрямую в испаритель чиллера, где охлаждается до заданной температуры, а далее направляется к потребителям холода.
Гликолевый контур.
Гликолевый раствор охлаждается в сухой градирне, проходит через промежуточный теплообменник без процесса теплообмена и направляется в конденсатор и отводит теплоту конденсации, а далее насосами направляется вновь в сухую градирню для охлаждения.
Переходный период.
Водяной контур.
Если температура уличного воздуха (по датчику Sa) опускается ниже температуры обратной воды (по датчику Sw2), поток этой жидкости через трехходовой клапан (7) поступает в промежуточный теплообменник, где охлаждается гликолевым раствором. При этом температура воды не достигает заданного значения. Далее вода направляется в испаритель чиллера, где охлаждается до заданного значения температуры. Холодильная установка в этом случае работает не на полную мощность, которая будет снижаться по мере понижения температуры уличного воздуха до момента полного перехода на свободное охлаждение.
Гликолевый контур.
Гликолевый раствор охлаждается в сухой градирне и направляется в промежуточный теплообменник, где охлаждает воду контура потребителей на 1 – 4°С, и далее в конденсатор. Поскольку температура жидкости на входе в конденсатор низкая, давление конденсации регулируется двухходовым клапаном (6). Часть потока направляется в конденсатор и отводит теплоту конденсации, а часть проходит через байпасную линию с перепускным клапаном (5).
Холодный период.
Водяной контур.
Температура уличного воздуха (по датчику Sa) ниже температуры обратной воды (по датчику Sw2), поток воды через трехходовой клапан (7) поступает в промежуточный теплообменник, где охлаждается гликолевым раствором до заданной температуры. Далее проходит через испаритель чиллера без процесса теплообмена и направляется к потребителям холода.
Гликолевый контур.
Гликолевый раствор охлаждается в сухой градирне и направляется в промежуточный теплообменник, где охлаждает воду контура потребителей до заданной температуры. Далее через байпасную линию с перепускным клапаном 5 поступает в сухой охладитель.
При низких температурах уличного воздуха, для поддержания заданной температуры охлаждаемой жидкости (по датчику Sw3), уменьшается расход воздуха через теплообменник сухого охладителя за счет изменения частоты вращения вентиляторов.
При очень низких значениях температуры окружающего воздуха и нулевом потоке воздуха через сухой охладитель (выключенных вентиляторах) температура охлаждаемой жидкости на выходе может быть ниже заданной. Трехходовой клапан (8) смешивает поток из сухого охладителя и поток от насосов через байпасную линию, минующий сухой охладитель. Далее поток гликолевого раствора с необходимой температурой (выше 0°C), направляется в промежуточный теплообменник. Таким образом, обеспечивается надежная работоспособность установки при очень низких температурах окружающего воздуха без опасности разморозить промежуточный теплообменник.
Источник: ООО «Аиркат Климатехник»










