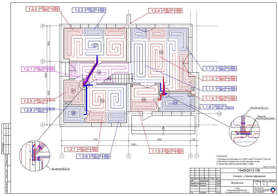
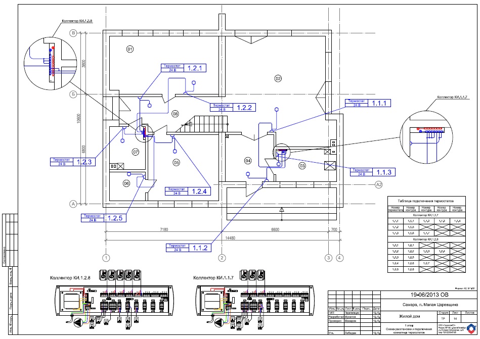
Наша свежая работа по безрадиаторному отоплению водяной теплый пол
Thermotech.
Климат-контроль происходит при помощи термостатов, контролирующих температуру воздуха в каждом помещении.
Это очень удобно и комфортно.
Приходите к нам за теплом!


Другие проекты
для квартиры
для офиса
для коттеджа
- Проект системы увлажнения DRAABE в Самаре
- Холодные потолки в коттедже в Самаре
- Холодные потолки в загородном доме, КП «Жуковка», Московская обл.
- Холодоснабжение коттеджа, г. Самара
- Коттедж в Самаре, Куйбышевский р-н
- Элитный жилой комплекс, г. Самара
- Вентиляция дома и бассейна, п. Озерки, Самарская обл.
- Самарский коттедж из арболита, п. Малая Царевщина
- Поселок Самарский
- Коттедж на берегу Волги
- Загородный дом в Московской области, д. Глухово, Красногорский р-н
- Коттедж, г. Самара
- Энергоэффективный дом в Самарской области
- Система снеготаяния в загородном доме, Самара
- Бунгало, Самарская область
для кафе/ресторана
для общественных / промышленных помещений