Выполненный проект: Система автоматики весового дозирования лакокрасочных материалов, ЗАО Центромонтажавтоматика, г. Смоленск
Система автоматики весового дозирования для ООО «НПФ Стройпродукция» (г. Домодедово Московской области) разработана компанией «Центромонтажавтоматика» (г. Смоленск) и построена на базе программируемого логического контроллера ОВЕН ПЛК110.
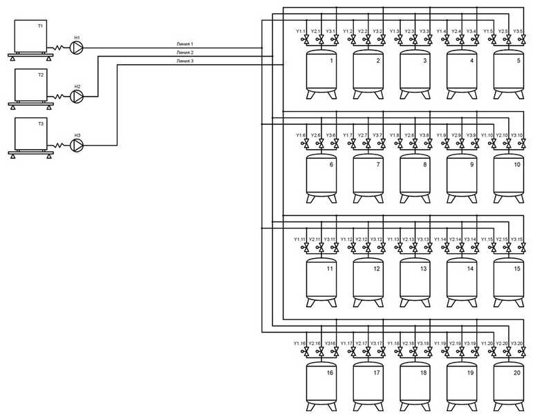
На заводе имеется 20 оборудованных электрическими мешалками емкостей (дисольверы), в которые требуется дозировать три основных несмешиваемых компонента. Систему управления построили на базе контроллера ОВЕН ПЛК110. При этом для удобства эксплуатации для каждой из линий дозирования применили свою панель оператора ОВЕН ИП320. Подключение тензодатчиков весовых платформ производилось напрямую к четырехканальному модулю ввода сигналов тензодатчиковОВЕН МВ110-224.4ТД. Таким образом, получилась системы, позволяющая осуществлять независимое управление тремя линиями налива продукта с применением настраиваемого алгоритма «грубого» и «тонкого» дозирования. Система дает возможность контролировать исправность пневмоклапанов. Интуитивно понятный русифицированный интерфейс настройки процесса дозирования создает удобство управления. Система позволяет осуществлять автоматическое и ручное управление.
Другие проекты
- Система управления бетонным заводом с использованием приборов ОВЕН, ООО «Фирма «Скалес», г. Нижний Новгород
- Компания ПРОЕКТ-П, г. Вологда
- Управление электропечью СНВС с помощью приборов ОВЕН, г. Тула
для квартиры
- Автоматизация и диспетчеризация котельной в пос. Поляны Ленинградской области
- Управление и удаленный мониторинг всех систем квартиры с помощью контроллера ОВЕН ПЛК100
- Управление и удаленный мониторинг всех систем квартиры с помощью контроллера ОВЕН ПЛК100
для коттеджа
- Частный дом, г. Александров
- Щит управления водоснабжением загородного дома на базе оборудования ОВЕН, г. Смоленск
- Автоматизация канализационной насосной станции, г. Екатеринбург
- Система «умный дом» на базе оборудования ОВЕН
для магазина
для здания/гостиницы
- Мониторинг и управление инженерными системами дома с применением средств автоматизации ОВЕН,
- Система управления КНС на базе программируемого реле ОВЕН ПР110, г. Краснодар
- Управление климатом Гродненского ледового дворца осуществляется с помощью ПЛК110, г. Минск
- Автоматизация котельной ОАО «Северный пресс» с использованием контроллеров ОВЕН ПЛК150, г. Санкт-Петербург
- Управление браго-ректификационной установкой на базе оборудования ОВЕН, г. Саранск
- Автоматизированная система оповещения и защиты помещений от затоплений, г. Москва
- Контроллер ОВЕН ПЛК63 – основа для системы управления боксом подготовки поверхности, г. Санкт-Петербург
- Автоматизация малой теплоэлектроцентрали для базы отдыха
- Система дистанционного управления в загородном доме
для общественных / промышленных помещений
- Автоматическая система управления насосами на базе контроллера ОВЕН ПЛК73, г. Симферополь
- На базе оборудования ОВЕН автоматизирована станция поддержания давления, г. Симферополь
- Автоматическое управление насосами и системой подпитки котельной, г. Чита
- На базе оборудования ОВЕН разработано устройство защиты обжиговой печи по газу, г. Рудный, Казахстан
- Котельная в Коломне автоматизирована на базе оборудования ОВЕН, г. Коломна, Московская обл.
- Автоматизация мини-ТЭЦ в Нижегородской области
- Управление технологическим оборудованием аквапарка, г. Севастополь
- Универсальный блок управления для прессов, г. Пермь
- Управление инженерными системами загородного дома на базе СПК207, г. Чехов, Московская обл.
- Щит управления приточно-вытяжной вентиляцией на базе оборудования ОВЕН, г. Чита
- Комплексная автоматизация насосных станций системы охлаждения на предприятии
- Диспетчеризация водонасосных станций, поселок Горный Забайкальского края
- Контроль объема деминерализованной воды на предприятии ООО «Плодовка», г. Россошь
- «Умный дом» в Казани
- Установка дозировочной линии приготовления карамели, г. Гомель, Республика Беларусь
- Шкаф управления водогрейным и паровым котлом, г. Волгодонск Ростовской области
- ТСЖ «Донское», г. Ростов-на-Дону
- ЗАО «Барнаульский молочный комбинат», Алтайский край
- ООО «Молочная культура», г. Санкт-Петербург
- «Умный дом» на базе средств автоматизации ОВЕН
- Котельная, г. Чита
- «Тюмень-Ойл», г. Воронеж
- ЦТП, г. Калининград
- АСУ фонтаном с применением панельного контроллера СПК207, г. Воронеж
- Автомойка. г. Саров
- ООО «Теплотехник», г. Ялуторовск
- Предприятие флексографической печати, г. Санкт-Петербург
- МУП «ВОДОКАНАЛ» г. Подольска
- Кармановская ГРЭС ОАО «Башкирэнерго»
- Тобольская ТЭЦ
- Диспетчеризация артезианских скважин, Московская область
- Диспетчеризация водоканалов
- Предприятие «Амурский бройлер»
- Станция пожаротушения, г. Новороссийск
- Автоматизация квест комнаты, г. Ростов-на-Дону
- Предприятие по производству асфальта компанией «Инжпромавтоматика», г. Москва
- Молочный комбинат «Каргопольский», г. Каргополь, Архангельская обл.
- Государственный Большой Концертный Зал имени С. Сайдашева в Казани
- Предприятие «Орелрастмасло»
- Цех по производству биопрепаратов, г. Симферополь
- Учебный лабораторный стенд в Азово-Черноморском инженерном институте
- Молокозавод «Молочная культура», Ленинградская область
- АСДУ ИС ЦОД международного аэропорта «Шереметьево», г. Москва
- Станция водоподготовки в г. Барнауле
- «Щелковский водоканал», г. Москва
- Лаборатория глинозема, второй этап, г. Алма-Ата
- «Русские Инженерные Традиции», г. Москва
- Машины для упаковки макаронных изделий, г. Воронеж
- Квест комната, г. Ростов-на-Дону
- Компания ЗАО «Плава РБ», г. Минск
- Азово-Черноморский инженерный институт, г. Зерноград Ростовской области
- «Лаборатория решений», г. Новороссийск
- Производство по непрерывному производству асфальта, г. Москва
- Производство минеральной ваты, г. Краснодар
- Лаборатория глинозема, г. Алма-Ата
- Предприятие по производству бетонные смесей, г. Краснодар
- Котельная, г. Чита
- Нефтебаза, Рязань
- Центральный тепловой пункт, г. Калининград
- АСУ городского фонтана, Воронеж
- АСУ пилотной установки лаборатории глинозема, Алмата
- Автоматизация установки для производства термоконтейнеров, Воронеж
- Система управления подачи пара и охлаждения («Алгоритм», г. Воронеж)
- АСУ котельной на базе панельного контроллера СПК207, г. Ялуторовск
- Автоматизация БСУ на базе оборудования ОВЕН, Краснодар
- Птицефабрика в поселке Иловля Волгоградской области
- Завод ЖБИ «Ветлосянские стройматериалы», г. Ухта, Республика Коми
- Автоматизация котельных, г. Алматы
- Молочное производство, г. Казань
- Завод электроизоляционных материалов «Элинар», пос. Атепцево, Нарофоминский р-н Московской обл.
- Таможенная Служба Центрального Таможенного Управления
- Аквапарк «Горки» туристического комплекса «Окская жемчужина», г. Рязань
- Бетонные заводы, г. Нижний Новгород
- ОАО «СветлогорскХимволокно», г. Светлогорск
- Городское водоснабжение в Калининграде
- Тепличное хозяйство «Нефтекамский», г. Нефтекамск
- «Приборы контроля», г. Ижевск (истема управления водоснабжением)
- Поселок Шамонино Республики Башкортостан
- «Приборы контроля», г. Ижевск (станция ПРИКОН)
- Газовая котельная МУП «Вологдагортеплосеть», г. Вологда
- «Приборы контроля», г. Ижевск (станция для управления насосными и вентиляционными системами)
- «Приборы контроля», г. Ижевск (станция управления насосом)
- Котельная ОАО «Северный пресс», г. Санкт-Петербург
- 25-этажные дома, г. Пермь
- Система водоснабжения города Слободского Кировской области
- Университет гражданской авиации, г. Москва
- ОАО «Рославльский вагоноремонтный завод», г. Рославль
- Контроллеры управления модульной станции повышения давления, г. Брянск
- Автоматика для котла, г. Бийск
- Котельная МУП «Смоленсктеплосеть», г. Смоленск
- Комплекс водоочистки промышленного предприятия, г. Санкт-Петербург
- Предприятие по производству клинкера и цемента, г. Екатеринбург
- Завод ЖБИ, г. Екатеринбург
- Смоленский лакокрасочный завод, г. Смоленск
- Завод мебельной фурнитуры в Новгородской области
- «ВяткаСтройДеталь», г. Киров
- АСУ управления прессами на ООО ПКФ «Астрахим», г. Астрахань
- Производство катализатора для ракетных двигателей
- Нефтеперерабатывающий завод ООО «ВолховНефтехим», г. Волгоград
- Завод «Северсталь Метиз», г. Череповец
- Чебоксарский завод
- Компания «Термоэнергосервис», г. Чехов Московской области
- «Первый полиграфический комбинат» в г. Красногорске Московской области
- Компания YulDash, г. Ташкент, Узбекистан
- Сельскохозяйственные предприятия в Рязанской, Тверской областях и Каширском районе
- Компания «Сатурн – Газовые турбины», г. Рыбинск, Ярославская обл.
- Котельные завода ОАО ВНПО «Ресурс», г. Смоленск
- ТЭЦ г. Яровое Алтайского края
- АСУ на базе на базе контроллеров ОВЕН ПЛК, г. Краснодар
- Компания «Монитор», г. Воронеж (контроллер ОВЕН ПЛК100)
- Компания «Монитор», г. Воронеж
- ЗАО «250 ЗЖБИ», г. Серпухов
- Предприятие «Техметалл», г. Екатеринбург
- Окрасочный комплекс, г. Самара
- Бокс химической подготовки поверхности
- Компания «АТБ Электро», г. Санкт-Петербург (автоматизация бокса подготовки поверхности)
- Компания «АТБ Электро», г. Санкт-Петербург (автоматизация комбинированной окрасочно-сушильной камеры)
- Компания «Военные технологии», г. Санкт-Петербург (система управления регенерацией рабочих растворов)
- Компания «АТБ Электро», г. Санкт-Петербург
- Компания «Военные технологии», г. Санкт-Петербург
- Алтайский транспортный контроль, Алтайский край
- Компания «Приборы контроля», г. Ижевск
- Компания «Накал», г. Москва
- Предприятие по производству мебели «Красная звезда», г. Можга
- Автоматизация котла с шурующей планкой и вихревой топкой, г. Бийск
- Автоматизация воздухонагревательной установки с применением оборудования ОВЕН, г. Бийск
- Автоматизированная система управления и диспетчеризации деаэратора, г. Санкт-Петербург
- Модернизация системы управления упаковщика на Барнаульском молочном комбинате
- АСУ вентиляции газопоршневой теплоэлектростанции на базе приборов ОВЕН, г. Москва
- СМС-диспетчеризация ДГУ в отделах таможенного контроля Центрального Таможенного Управления, г. Москва
- Контроллер насосной станции на базе оборудования ОВЕН, «АСУ Технологических Процессов», г. Тюмень
- Автоматическое регулирование температуры в печи с помощью приборов ОВЕН, ОАО «СветлогорскХимволокно», Республика Беларусь
- Управление прессом вулканизации с помощью оборудования ОВЕН, г. Ярославль
- Управление пищевым экструдером с помощью оборудования ОВЕН, г. Санкт-Петербург
- Контроль рабочих параметров холодильных шкафов осуществляют приборы ОВЕН, г. Ижевск
- Окраска элементов торгового оборудования под управлением средств автоматизации ОВЕН, г. Санкт-Петербург
- Система управления машиной для склеивания картонных коробок на базе программируемого реле ОВЕН ПР110, г. Киров
- Системой оборотного водоснабжения управляют приборы ОВЕН, г. Саранск
- Система весового дозирования сырья на базе оборудования ОВЕН, г. Саранск
- Управление электрическими печами с помощью приборов ОВЕН, г. Киров
- Управление насосами по уровню в РЧВ через GSM-канал с помощью приборов ОВЕН, г. Уфа
- Управление насосными и вентиляционными системами на базе приборов ОВЕН, г. Ижевск
- АСУ вентиляции компрессорной станции, НПФ ГектИС, г. Тольятти
- Увлажнением производственных цехов на «Первом полиграфическом комбинате» управляют приборы ОВЕН, ООО Первый полиграфический комбинат, г. Красногорск
- Создание микроклимата внутри печатных секций, ООО Первый полиграфический комбинат, г. Красногорск
- Система автоматики весового дозирования лакокрасочных материалов, ЗАО Центромонтажавтоматика, г. Смоленск
- Управление творожной ванной с помощью контроллера ОВЕН ПЛК73, ПРОЕКТ-П, г. Волхов
- АСУ растворобетонного узла, ООО «Екатеринодарстрой плюс», г. Краснодар
- Компрессорной станцией на Харьковском ликероводочном заводе управляют приборы ОВЕН, ЧП Инжиниринговая компания Смарт Сервис, г. Харьков
- Управление компрессорными агрегатами на «Тубном заводе» осуществляют приборы ОВЕН, ЧП Инжиниринговая компания Смарт Сервис, г. Харьков
- Эффективность сжигания топлива контролируют приборы ОВЕН, ТОО Энергоавтоматика, г. Алматы
- Система управления ИТП 16-этажного дома, ЗАО Атлантика Групп, г. Тольятти
- Модернизация системы управления машины центрифугирования, ОО НПК ФАЗИС, г. Ярославль
- Шкаф автоматического поддержания температуры на базе оборудования ОВЕН, ООО НПК ФАЗИС, г. Ярославль
- Автоматизация и диспетчеризация котельной, пос. Поляны, Ленинградская обл.
- МиниТЭЦ базы отдыха автоматизирована на базе контроллеров ОВЕН ПЛК, Нижегородская обл., г. Павлово
- АСУ влажности и температуры на подстанции, ООО УК НовокузнецкЭнерго, г. Новокузнецк
- АСУ подающим насосом на базе программируемого реле ОВЕН ПР110, Краснодарский край, станица Новомышастовская
- Дистанционное управление системой водоснабжения на птицефабрике, г. Ярославль
- АСУ оборотного водоснабжения на базе оборудования ОВЕН, г. Ярославль
- Управление приводами решеток холодильников «Волга-75» с помощью приборов ОВЕН, г. Брянск
- Щит управления станка резки листового металла на базе оборудования ОВЕН, г. Тольятти
- Модернизация машина для испытания проволоки на скручивание 2048 МТС, г. Белорецк
- Автоматизация котельной с использованием оборудования ОВЕН, г. Ярославль
- Управление и диспетчеризация ЦТП на базе оборудования ОВЕН, г. Волгоград
- Система управления ИТП 16-этажного дома, г. Тольятти
- Модернизация системы управления машины центрифугирования, г. Ярославль
- Шкаф автоматического поддержания температуры на базе оборудования ОВЕН, г. Ярославль
- АСУ влажности и температуры на подстанции, г. Новокузнецк
- Газовая котельная автоматизирована с применением приборов ОВЕН, г. Смоленск
- АСУ выдувного агрегата на базе ОВЕН, г. Ярославль
- Система управления процессом пастеризации, г. Самара
- Автоматизированная система управления приточной вентиляцией, г. Ярославль
- ООО НПК ФАЗИС, г. Ярославль
- ЗАО «Центромонтажавтоматика», г. Смоленск
- ООО НПК «ФАЗИС», г. Ярославль. АСУ выдувного агрегата.
- ООО «Волга-АРТ-ТД», г. Самара
- ООО «5 Измерение», г. Ярославль
- ООО НПК «ФАЗИС», г. Ярославль
- Последовательность промывки фильтров контролируется приборами ОВЕН
- Котельная автоматизирована с помощью оборудования ОВЕН
- Управление микроклиматом в камерах химподготовки авиационных деталей
- Система дистанционного управления в загородном доме
- На Самарском гипсовом комбинате внедрена АСУ вентиляции
- Управление процессом переработки резинотехнических изделий
- Модернизация куттера на мясокомбинате
- Автоматизированная система коммерческого учета энергоресурсов
- Автоматизация малой теплоэлектроцентрали для базы отдыха
- Автоматизированная система коммерческого учета энергоресурсов
- Модернизация куттера на мясокомбинате
- Новый коммуникационный контроллер ОВЕН ПЛК323 с встроенным GSM/GPRS-модемом
- Управление процессом переработки резинотехнических изделий
- На Самарском гипсовом комбинате внедрена АСУ вентиляции
- Управление микроклиматом в камерах химподготовки авиационных деталей
- Котельная автоматизирована с помощью оборудования ОВЕН
- Последовательность промывки фильтров контролируется приборами ОВЕН
- Покрасочная печь автоматизирована на базе приборов ОВЕН
- Разработка учебных автоматизированных комплексов для лабораторных работ
- АСУ ТП котельной на базе оборудования ОВЕН
- Управление вакуумной печью с применением приборов ОВЕН
- Автоклавным цехом силикатного завода управляют приборы ОВЕН
- Модернизация угольной котельной с переходом на электроотопление
- ИТП школ города Новосибирска будут объединены в единую сеть
- Упаковкой молочной продукции управляет программируемое реле ОВЕН ПР110
- Универсальный ПИД-регулятор ОВЕН ТРМ151 управляет тепловым насосом
- Температурой печи на предприятии «СветлогорскХимволокно» управляют приборы ОВЕН
- Насосами канализационных систем управляют приборы ОВЕН
- Управление процессом запекания изоляции
- Модернизация системы управления водоочистных сооружений
- Автоматизированная система управления «лебедки Сулейманова»
- Обогревом технологических и магистральных трубопроводов и резервуаров управляют приборы ОВЕН
- Установка устьевого блока подачи реагента
- Энергоцентром в Коломне управляют приборы ОВЕН
- Шкаф управления для автоматизации процессов термообработки
- Управление тепловым режимом проходной тоннельной печи обжига кирпича
- Универсальный щит управления котловым агрегатом
- Автоматизация теплового пункта в г. Санкт-Петербурге
- Исследование гидравлических режимов системы теплоснабжения при измерении расхода циркулирующего теплоносителя
- Автоматическое регулирование температуры при термообработке инструментальных сталей, изготовленное на кафедре «Технология машиностроения» Чебоксарского политехнического института (филиала) МГОУ
- Изучение ПЛК и среды CODESYS в Балаковском институте техники, технологии и управления
- Управление температурой в печи с помощью программного регулятора ОВЕН ТРМ151, разработанное в Балаковском институте техники, технологии и управления
- Лабораторный комплекс по изучению управления технологическим процессом в Пятигорском государственном технологическом университете
- Последовательные интерфейсы передачи данных для измерительных и управляющих систем изучаются в Харьковском авиационном институте (Национальный аэрокосмический университет им. Н.Е. Жуковского)
- Установка порционного смешивания жидкостей на базе оборудования ОВЕН в Харьковском авиационном институте
- Изучение процессов тепломассобмена в Новгородском университете
- Изучение рабочих характеристик гидромеханических устройств управления промышленного гидропривода в Донском государственном техническом университете
- Лабораторный стенд для изучения системы контроля доступа и температуры в помещении в Донском государственном техническом университете (ДГТУ)
- Исследование универсального ПИД-регулятора ОВЕН ТРМ101 и П-, ПИ-, ПД-, ПИД-законов на базе приборов ОВЕН в Донском государственном техническом университете (ДГТУ)
- Автоматическая система управления микроклиматом применяется в Донском государственном техническом университете
- Пропорционально-интегрально-дифференциальные законы регулирования изучаются на базе приборов ОВЕН в Московском автомобильно-дорожном государственном техническом университете (МАДИ)
- Контроллеры в Московском автомобильно-дорожном университете изучают на базе ОВЕН ПЛК150
- Лабораторные работы по курсам «Физика металлов» в Тульском государственном университете
- Лабораторные стенды для изучения ОВЕН ПЛК150 и ОВЕН ИП320 в Каменском химико-механическом техникуме
- АСУ ТП в текстильной промышленности изучают в МГТУ им. Косыгина с помощью средств ОВЕН
- АСУ давления сетевой воды в обратном трубопроводе магистрали тепловых сетей в Пермском государственном техническом университете
- Ректификационная колонна с автоматическим управлением в Московском государственном университете инженерной экологии (МГУИЭ)
- Лабораторный стенд для изучения систем адаптивного позиционного регулирования в Новомосковском институте РХТУ им. Д.И. Менделеева
- Учебная лаборатория по изучению микропроцессорных контроллеров ОВЕН в Воронежской государственной технологической академии
- Стенд для исследования САР вентиляционной установки в Тверском государственном техническом университете (ТГТУ)
- АРМ оператора лабораторного стенда по выпечки хлеба в Тверском Государственном Техническом Университете
- Модель САР микроклиматом на птицефабрике «Верхневолжская»
- Автоматическое регулирование температуры на примере регулятора ОВЕН ТРМ101 в Московском энергетическом институте (технический университет) в г. Волжском (филиал ГОУ ВПО МЭИ)
- Учебно-исследовательский стенд (УИС) для управления технологическим процессом подогрева печи
- Стенд трехпозиционного регулирования температуры в Белгородском гостехуниверситете
- Изучение в Томском политехническом университете методов и средств измерения давления
- Изучение в Мордовском государственном университете имени Н.П. Огарева (г. Саранск) среды программирования CODESYS, универсальных контроллеров и панелей оператора
- Учебные стенды в Волжском политехническом техникуме
- Исследование в Дагестанском государственном техническом университете автоколебаний в нелинейной системе регулирования температуры
- Учебный стенд для изучения устройств управления лифтом в Ижевском государственном политехническом колледже
- Автоматизированный аквариумный комплекс Саратовского государственного технического университета на приборах ОВЕН
- Изучение регулятора ОВЕН ТРМ101 в Шосткинском химико-технологическом колледже
- Изучение методики программирования контроллера ОВЕН ПЛК100 в Шосткинском химико-технологическом колледже
- Лабораторные стенды на базе ОВЕН ПЛК150 в Ставропольском технологическом институте сервиса
- АСУ подготовки и пуска ракет и космических аппаратов на базе приборов ОВЕН в Военно-космической академии имени А.Ф. Можайского (г. Санкт-Петербург)
- Управление технологическим процессом приготовления бетона на базе ОВЕН ПЛК150 в Кемеровском государственном университете
- Исследование САР многоступенчатым техпроцессом на базе регулятора ТРМ251 в Самарском государственном аэрокосмическом
- Учебные стенды на базе оборудования ОВЕН во Владимирском государственном университете
- Производство и пайка печатных плат в Хмельницком национальном университете под контролем оборудования ОВЕН
- Управление многоступенчатыми температурно-влажностными режимами технологических процессов в Кировоградском Национальном техническом университете
- Исследование программируемых логических контроллеров ОВЕН ПЛК150 в Кировоградском Национальном техническом университете (Украина)
- На модели автоматической мойки автомобилей изучают ОВЕН ПЛК
- Исследование температурных полей в подкапотном пространстве автомобиля в Бузулукском гуманитарно-технологическом институте (филиал ГОУ ВПО «Оренбургский государственный университет»)
- Изучение средств автоматизации ОВЕН в Волгоградском государственном техническом университете
- Разработка установки анаэробного сбраживания органических отходов в Вятском государственном университете
- Использование средств автоматизации ОВЕН в учебном процессе в Костромском государственном технологическом университете
- Экспериментальная модель автоматической системы регулирования температуры в Уральском государственном техническом университете им. Б.Н. Ельцина
- Система управления накопителем сборочного РТК на базе ОВЕН ПЛК в Северо-Западном государственном заочном техническом университете (г. Санкт-Петербург)
- Модель теплицы на базе ОВЕН ПЛК154 в Технологическом институте Южного федерального университета
