Выполненный проект: Автоматизация котла с шурующей планкой и вихревой топкой, г. Бийск
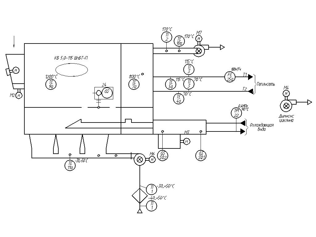
Автоматизацию котла с шурующей планкой и вихревой топкой осуществил ИП Кротюк А.А. (г. Бийск). В основу системы управления положено оборудование ОВЕН: программируемый логический контроллер ОВЕН ПЛК110, модули ввода-вывода ОВЕН МВ110-8АС, панель оператора ОВЕН СП270 и др.
ОВЕН ПЛК и сенсорная панель управления встраивается в ЩУК и являются его составной частью.
Система автоматизации обеспечивает управление оборудованием котельной ячейки, включающей:
• котел водогрейный КВ;
• топку с питателем и выгружателем шлака;
• вентилятор;
• дымосос.
Система автоматизации (СА) представляет собой локальную систему управления с применением контроллера ОВЕН ПЛК. ОВЕН ПЛК вырабатывает сигналы управления и производит контроль сигналов датчиков аварийных параметров котла и состояния тягодутьевых машин. При выходе любого из контролируемых параметров котла за пределы допуска, ПЛК фиксирует возникновение аварийной ситуации, переключает автоматику котла в состояние «АВАРИЯ» и запоминает первопричину аварии.
СА предусматривает автоматическое регулирование следующих параметров:
• разрежение в топке котла;
• напор воздуха после вентилятора;
• температура воды на выходе из котла.
Регулирование температуры на выходе из котла производится режимом горения топлива в топке. C помощью сенсорной панели оператора осуществляется отображение состояния оборудования котла, текущих значений технологических параметров, сигнализация об отклонениях параметров и аварийных ситуациях, а также виртуальные кнопки управления исполнительными механизмами и электродвигателями.
Другие проекты
- Система управления бетонным заводом с использованием приборов ОВЕН, ООО «Фирма «Скалес», г. Нижний Новгород
- Компания ПРОЕКТ-П, г. Вологда
- Управление электропечью СНВС с помощью приборов ОВЕН, г. Тула
для квартиры
- Автоматизация и диспетчеризация котельной в пос. Поляны Ленинградской области
- Управление и удаленный мониторинг всех систем квартиры с помощью контроллера ОВЕН ПЛК100
- Управление и удаленный мониторинг всех систем квартиры с помощью контроллера ОВЕН ПЛК100
для коттеджа
- Частный дом, г. Александров
- Щит управления водоснабжением загородного дома на базе оборудования ОВЕН, г. Смоленск
- Автоматизация канализационной насосной станции, г. Екатеринбург
- Система «умный дом» на базе оборудования ОВЕН
для магазина
для здания/гостиницы
- Мониторинг и управление инженерными системами дома с применением средств автоматизации ОВЕН,
- Система управления КНС на базе программируемого реле ОВЕН ПР110, г. Краснодар
- Управление климатом Гродненского ледового дворца осуществляется с помощью ПЛК110, г. Минск
- Автоматизация котельной ОАО «Северный пресс» с использованием контроллеров ОВЕН ПЛК150, г. Санкт-Петербург
- Управление браго-ректификационной установкой на базе оборудования ОВЕН, г. Саранск
- Автоматизированная система оповещения и защиты помещений от затоплений, г. Москва
- Контроллер ОВЕН ПЛК63 – основа для системы управления боксом подготовки поверхности, г. Санкт-Петербург
- Автоматизация малой теплоэлектроцентрали для базы отдыха
- Система дистанционного управления в загородном доме
для общественных / промышленных помещений
- Автоматическая система управления насосами на базе контроллера ОВЕН ПЛК73, г. Симферополь
- На базе оборудования ОВЕН автоматизирована станция поддержания давления, г. Симферополь
- Автоматическое управление насосами и системой подпитки котельной, г. Чита
- На базе оборудования ОВЕН разработано устройство защиты обжиговой печи по газу, г. Рудный, Казахстан
- Котельная в Коломне автоматизирована на базе оборудования ОВЕН, г. Коломна, Московская обл.
- Автоматизация мини-ТЭЦ в Нижегородской области
- Управление технологическим оборудованием аквапарка, г. Севастополь
- Универсальный блок управления для прессов, г. Пермь
- Управление инженерными системами загородного дома на базе СПК207, г. Чехов, Московская обл.
- Щит управления приточно-вытяжной вентиляцией на базе оборудования ОВЕН, г. Чита
- Комплексная автоматизация насосных станций системы охлаждения на предприятии
- Диспетчеризация водонасосных станций, поселок Горный Забайкальского края
- Контроль объема деминерализованной воды на предприятии ООО «Плодовка», г. Россошь
- «Умный дом» в Казани
- Установка дозировочной линии приготовления карамели, г. Гомель, Республика Беларусь
- Шкаф управления водогрейным и паровым котлом, г. Волгодонск Ростовской области
- ТСЖ «Донское», г. Ростов-на-Дону
- ЗАО «Барнаульский молочный комбинат», Алтайский край
- ООО «Молочная культура», г. Санкт-Петербург
- «Умный дом» на базе средств автоматизации ОВЕН
- Котельная, г. Чита
- «Тюмень-Ойл», г. Воронеж
- ЦТП, г. Калининград
- АСУ фонтаном с применением панельного контроллера СПК207, г. Воронеж
- Автомойка. г. Саров
- ООО «Теплотехник», г. Ялуторовск
- Предприятие флексографической печати, г. Санкт-Петербург
- МУП «ВОДОКАНАЛ» г. Подольска
- Кармановская ГРЭС ОАО «Башкирэнерго»
- Тобольская ТЭЦ
- Диспетчеризация артезианских скважин, Московская область
- Диспетчеризация водоканалов
- Предприятие «Амурский бройлер»
- Станция пожаротушения, г. Новороссийск
- Автоматизация квест комнаты, г. Ростов-на-Дону
- Предприятие по производству асфальта компанией «Инжпромавтоматика», г. Москва
- Молочный комбинат «Каргопольский», г. Каргополь, Архангельская обл.
- Государственный Большой Концертный Зал имени С. Сайдашева в Казани
- Предприятие «Орелрастмасло»
- Цех по производству биопрепаратов, г. Симферополь
- Учебный лабораторный стенд в Азово-Черноморском инженерном институте
- Молокозавод «Молочная культура», Ленинградская область
- АСДУ ИС ЦОД международного аэропорта «Шереметьево», г. Москва
- Станция водоподготовки в г. Барнауле
- «Щелковский водоканал», г. Москва
- Лаборатория глинозема, второй этап, г. Алма-Ата
- «Русские Инженерные Традиции», г. Москва
- Машины для упаковки макаронных изделий, г. Воронеж
- Квест комната, г. Ростов-на-Дону
- Компания ЗАО «Плава РБ», г. Минск
- Азово-Черноморский инженерный институт, г. Зерноград Ростовской области
- «Лаборатория решений», г. Новороссийск
- Производство по непрерывному производству асфальта, г. Москва
- Производство минеральной ваты, г. Краснодар
- Лаборатория глинозема, г. Алма-Ата
- Предприятие по производству бетонные смесей, г. Краснодар
- Котельная, г. Чита
- Нефтебаза, Рязань
- Центральный тепловой пункт, г. Калининград
- АСУ городского фонтана, Воронеж
- АСУ пилотной установки лаборатории глинозема, Алмата
- Автоматизация установки для производства термоконтейнеров, Воронеж
- Система управления подачи пара и охлаждения («Алгоритм», г. Воронеж)
- АСУ котельной на базе панельного контроллера СПК207, г. Ялуторовск
- Автоматизация БСУ на базе оборудования ОВЕН, Краснодар
- Птицефабрика в поселке Иловля Волгоградской области
- Завод ЖБИ «Ветлосянские стройматериалы», г. Ухта, Республика Коми
- Автоматизация котельных, г. Алматы
- Молочное производство, г. Казань
- Завод электроизоляционных материалов «Элинар», пос. Атепцево, Нарофоминский р-н Московской обл.
- Таможенная Служба Центрального Таможенного Управления
- Аквапарк «Горки» туристического комплекса «Окская жемчужина», г. Рязань
- Бетонные заводы, г. Нижний Новгород
- ОАО «СветлогорскХимволокно», г. Светлогорск
- Городское водоснабжение в Калининграде
- Тепличное хозяйство «Нефтекамский», г. Нефтекамск
- «Приборы контроля», г. Ижевск (истема управления водоснабжением)
- Поселок Шамонино Республики Башкортостан
- «Приборы контроля», г. Ижевск (станция ПРИКОН)
- Газовая котельная МУП «Вологдагортеплосеть», г. Вологда
- «Приборы контроля», г. Ижевск (станция для управления насосными и вентиляционными системами)
- «Приборы контроля», г. Ижевск (станция управления насосом)
- Котельная ОАО «Северный пресс», г. Санкт-Петербург
- 25-этажные дома, г. Пермь
- Система водоснабжения города Слободского Кировской области
- Университет гражданской авиации, г. Москва
- ОАО «Рославльский вагоноремонтный завод», г. Рославль
- Контроллеры управления модульной станции повышения давления, г. Брянск
- Автоматика для котла, г. Бийск
- Котельная МУП «Смоленсктеплосеть», г. Смоленск
- Комплекс водоочистки промышленного предприятия, г. Санкт-Петербург
- Предприятие по производству клинкера и цемента, г. Екатеринбург
- Завод ЖБИ, г. Екатеринбург
- Смоленский лакокрасочный завод, г. Смоленск
- Завод мебельной фурнитуры в Новгородской области
- «ВяткаСтройДеталь», г. Киров
- АСУ управления прессами на ООО ПКФ «Астрахим», г. Астрахань
- Производство катализатора для ракетных двигателей
- Нефтеперерабатывающий завод ООО «ВолховНефтехим», г. Волгоград
- Завод «Северсталь Метиз», г. Череповец
- Чебоксарский завод
- Компания «Термоэнергосервис», г. Чехов Московской области
- «Первый полиграфический комбинат» в г. Красногорске Московской области
- Компания YulDash, г. Ташкент, Узбекистан
- Сельскохозяйственные предприятия в Рязанской, Тверской областях и Каширском районе
- Компания «Сатурн – Газовые турбины», г. Рыбинск, Ярославская обл.
- Котельные завода ОАО ВНПО «Ресурс», г. Смоленск
- ТЭЦ г. Яровое Алтайского края
- АСУ на базе на базе контроллеров ОВЕН ПЛК, г. Краснодар
- Компания «Монитор», г. Воронеж (контроллер ОВЕН ПЛК100)
- Компания «Монитор», г. Воронеж
- ЗАО «250 ЗЖБИ», г. Серпухов
- Предприятие «Техметалл», г. Екатеринбург
- Окрасочный комплекс, г. Самара
- Бокс химической подготовки поверхности
- Компания «АТБ Электро», г. Санкт-Петербург (автоматизация бокса подготовки поверхности)
- Компания «АТБ Электро», г. Санкт-Петербург (автоматизация комбинированной окрасочно-сушильной камеры)
- Компания «Военные технологии», г. Санкт-Петербург (система управления регенерацией рабочих растворов)
- Компания «АТБ Электро», г. Санкт-Петербург
- Компания «Военные технологии», г. Санкт-Петербург
- Алтайский транспортный контроль, Алтайский край
- Компания «Приборы контроля», г. Ижевск
- Компания «Накал», г. Москва
- Предприятие по производству мебели «Красная звезда», г. Можга
- Автоматизация котла с шурующей планкой и вихревой топкой, г. Бийск
- Автоматизация воздухонагревательной установки с применением оборудования ОВЕН, г. Бийск
- Автоматизированная система управления и диспетчеризации деаэратора, г. Санкт-Петербург
- Модернизация системы управления упаковщика на Барнаульском молочном комбинате
- АСУ вентиляции газопоршневой теплоэлектростанции на базе приборов ОВЕН, г. Москва
- СМС-диспетчеризация ДГУ в отделах таможенного контроля Центрального Таможенного Управления, г. Москва
- Контроллер насосной станции на базе оборудования ОВЕН, «АСУ Технологических Процессов», г. Тюмень
- Автоматическое регулирование температуры в печи с помощью приборов ОВЕН, ОАО «СветлогорскХимволокно», Республика Беларусь
- Управление прессом вулканизации с помощью оборудования ОВЕН, г. Ярославль
- Управление пищевым экструдером с помощью оборудования ОВЕН, г. Санкт-Петербург
- Контроль рабочих параметров холодильных шкафов осуществляют приборы ОВЕН, г. Ижевск
- Окраска элементов торгового оборудования под управлением средств автоматизации ОВЕН, г. Санкт-Петербург
- Система управления машиной для склеивания картонных коробок на базе программируемого реле ОВЕН ПР110, г. Киров
- Системой оборотного водоснабжения управляют приборы ОВЕН, г. Саранск
- Система весового дозирования сырья на базе оборудования ОВЕН, г. Саранск
- Управление электрическими печами с помощью приборов ОВЕН, г. Киров
- Управление насосами по уровню в РЧВ через GSM-канал с помощью приборов ОВЕН, г. Уфа
- Управление насосными и вентиляционными системами на базе приборов ОВЕН, г. Ижевск
- АСУ вентиляции компрессорной станции, НПФ ГектИС, г. Тольятти
- Увлажнением производственных цехов на «Первом полиграфическом комбинате» управляют приборы ОВЕН, ООО Первый полиграфический комбинат, г. Красногорск
- Создание микроклимата внутри печатных секций, ООО Первый полиграфический комбинат, г. Красногорск
- Система автоматики весового дозирования лакокрасочных материалов, ЗАО Центромонтажавтоматика, г. Смоленск
- Управление творожной ванной с помощью контроллера ОВЕН ПЛК73, ПРОЕКТ-П, г. Волхов
- АСУ растворобетонного узла, ООО «Екатеринодарстрой плюс», г. Краснодар
- Компрессорной станцией на Харьковском ликероводочном заводе управляют приборы ОВЕН, ЧП Инжиниринговая компания Смарт Сервис, г. Харьков
- Управление компрессорными агрегатами на «Тубном заводе» осуществляют приборы ОВЕН, ЧП Инжиниринговая компания Смарт Сервис, г. Харьков
- Эффективность сжигания топлива контролируют приборы ОВЕН, ТОО Энергоавтоматика, г. Алматы
- Система управления ИТП 16-этажного дома, ЗАО Атлантика Групп, г. Тольятти
- Модернизация системы управления машины центрифугирования, ОО НПК ФАЗИС, г. Ярославль
- Шкаф автоматического поддержания температуры на базе оборудования ОВЕН, ООО НПК ФАЗИС, г. Ярославль
- Автоматизация и диспетчеризация котельной, пос. Поляны, Ленинградская обл.
- МиниТЭЦ базы отдыха автоматизирована на базе контроллеров ОВЕН ПЛК, Нижегородская обл., г. Павлово
- АСУ влажности и температуры на подстанции, ООО УК НовокузнецкЭнерго, г. Новокузнецк
- АСУ подающим насосом на базе программируемого реле ОВЕН ПР110, Краснодарский край, станица Новомышастовская
- Дистанционное управление системой водоснабжения на птицефабрике, г. Ярославль
- АСУ оборотного водоснабжения на базе оборудования ОВЕН, г. Ярославль
- Управление приводами решеток холодильников «Волга-75» с помощью приборов ОВЕН, г. Брянск
- Щит управления станка резки листового металла на базе оборудования ОВЕН, г. Тольятти
- Модернизация машина для испытания проволоки на скручивание 2048 МТС, г. Белорецк
- Автоматизация котельной с использованием оборудования ОВЕН, г. Ярославль
- Управление и диспетчеризация ЦТП на базе оборудования ОВЕН, г. Волгоград
- Система управления ИТП 16-этажного дома, г. Тольятти
- Модернизация системы управления машины центрифугирования, г. Ярославль
- Шкаф автоматического поддержания температуры на базе оборудования ОВЕН, г. Ярославль
- АСУ влажности и температуры на подстанции, г. Новокузнецк
- Газовая котельная автоматизирована с применением приборов ОВЕН, г. Смоленск
- АСУ выдувного агрегата на базе ОВЕН, г. Ярославль
- Система управления процессом пастеризации, г. Самара
- Автоматизированная система управления приточной вентиляцией, г. Ярославль
- ООО НПК ФАЗИС, г. Ярославль
- ЗАО «Центромонтажавтоматика», г. Смоленск
- ООО НПК «ФАЗИС», г. Ярославль. АСУ выдувного агрегата.
- ООО «Волга-АРТ-ТД», г. Самара
- ООО «5 Измерение», г. Ярославль
- ООО НПК «ФАЗИС», г. Ярославль
- Последовательность промывки фильтров контролируется приборами ОВЕН
- Котельная автоматизирована с помощью оборудования ОВЕН
- Управление микроклиматом в камерах химподготовки авиационных деталей
- Система дистанционного управления в загородном доме
- На Самарском гипсовом комбинате внедрена АСУ вентиляции
- Управление процессом переработки резинотехнических изделий
- Модернизация куттера на мясокомбинате
- Автоматизированная система коммерческого учета энергоресурсов
- Автоматизация малой теплоэлектроцентрали для базы отдыха
- Автоматизированная система коммерческого учета энергоресурсов
- Модернизация куттера на мясокомбинате
- Новый коммуникационный контроллер ОВЕН ПЛК323 с встроенным GSM/GPRS-модемом
- Управление процессом переработки резинотехнических изделий
- На Самарском гипсовом комбинате внедрена АСУ вентиляции
- Управление микроклиматом в камерах химподготовки авиационных деталей
- Котельная автоматизирована с помощью оборудования ОВЕН
- Последовательность промывки фильтров контролируется приборами ОВЕН
- Покрасочная печь автоматизирована на базе приборов ОВЕН
- Разработка учебных автоматизированных комплексов для лабораторных работ
- АСУ ТП котельной на базе оборудования ОВЕН
- Управление вакуумной печью с применением приборов ОВЕН
- Автоклавным цехом силикатного завода управляют приборы ОВЕН
- Модернизация угольной котельной с переходом на электроотопление
- ИТП школ города Новосибирска будут объединены в единую сеть
- Упаковкой молочной продукции управляет программируемое реле ОВЕН ПР110
- Универсальный ПИД-регулятор ОВЕН ТРМ151 управляет тепловым насосом
- Температурой печи на предприятии «СветлогорскХимволокно» управляют приборы ОВЕН
- Насосами канализационных систем управляют приборы ОВЕН
- Управление процессом запекания изоляции
- Модернизация системы управления водоочистных сооружений
- Автоматизированная система управления «лебедки Сулейманова»
- Обогревом технологических и магистральных трубопроводов и резервуаров управляют приборы ОВЕН
- Установка устьевого блока подачи реагента
- Энергоцентром в Коломне управляют приборы ОВЕН
- Шкаф управления для автоматизации процессов термообработки
- Управление тепловым режимом проходной тоннельной печи обжига кирпича
- Универсальный щит управления котловым агрегатом
- Автоматизация теплового пункта в г. Санкт-Петербурге
- Исследование гидравлических режимов системы теплоснабжения при измерении расхода циркулирующего теплоносителя
- Автоматическое регулирование температуры при термообработке инструментальных сталей, изготовленное на кафедре «Технология машиностроения» Чебоксарского политехнического института (филиала) МГОУ
- Изучение ПЛК и среды CODESYS в Балаковском институте техники, технологии и управления
- Управление температурой в печи с помощью программного регулятора ОВЕН ТРМ151, разработанное в Балаковском институте техники, технологии и управления
- Лабораторный комплекс по изучению управления технологическим процессом в Пятигорском государственном технологическом университете
- Последовательные интерфейсы передачи данных для измерительных и управляющих систем изучаются в Харьковском авиационном институте (Национальный аэрокосмический университет им. Н.Е. Жуковского)
- Установка порционного смешивания жидкостей на базе оборудования ОВЕН в Харьковском авиационном институте
- Изучение процессов тепломассобмена в Новгородском университете
- Изучение рабочих характеристик гидромеханических устройств управления промышленного гидропривода в Донском государственном техническом университете
- Лабораторный стенд для изучения системы контроля доступа и температуры в помещении в Донском государственном техническом университете (ДГТУ)
- Исследование универсального ПИД-регулятора ОВЕН ТРМ101 и П-, ПИ-, ПД-, ПИД-законов на базе приборов ОВЕН в Донском государственном техническом университете (ДГТУ)
- Автоматическая система управления микроклиматом применяется в Донском государственном техническом университете
- Пропорционально-интегрально-дифференциальные законы регулирования изучаются на базе приборов ОВЕН в Московском автомобильно-дорожном государственном техническом университете (МАДИ)
- Контроллеры в Московском автомобильно-дорожном университете изучают на базе ОВЕН ПЛК150
- Лабораторные работы по курсам «Физика металлов» в Тульском государственном университете
- Лабораторные стенды для изучения ОВЕН ПЛК150 и ОВЕН ИП320 в Каменском химико-механическом техникуме
- АСУ ТП в текстильной промышленности изучают в МГТУ им. Косыгина с помощью средств ОВЕН
- АСУ давления сетевой воды в обратном трубопроводе магистрали тепловых сетей в Пермском государственном техническом университете
- Ректификационная колонна с автоматическим управлением в Московском государственном университете инженерной экологии (МГУИЭ)
- Лабораторный стенд для изучения систем адаптивного позиционного регулирования в Новомосковском институте РХТУ им. Д.И. Менделеева
- Учебная лаборатория по изучению микропроцессорных контроллеров ОВЕН в Воронежской государственной технологической академии
- Стенд для исследования САР вентиляционной установки в Тверском государственном техническом университете (ТГТУ)
- АРМ оператора лабораторного стенда по выпечки хлеба в Тверском Государственном Техническом Университете
- Модель САР микроклиматом на птицефабрике «Верхневолжская»
- Автоматическое регулирование температуры на примере регулятора ОВЕН ТРМ101 в Московском энергетическом институте (технический университет) в г. Волжском (филиал ГОУ ВПО МЭИ)
- Учебно-исследовательский стенд (УИС) для управления технологическим процессом подогрева печи
- Стенд трехпозиционного регулирования температуры в Белгородском гостехуниверситете
- Изучение в Томском политехническом университете методов и средств измерения давления
- Изучение в Мордовском государственном университете имени Н.П. Огарева (г. Саранск) среды программирования CODESYS, универсальных контроллеров и панелей оператора
- Учебные стенды в Волжском политехническом техникуме
- Исследование в Дагестанском государственном техническом университете автоколебаний в нелинейной системе регулирования температуры
- Учебный стенд для изучения устройств управления лифтом в Ижевском государственном политехническом колледже
- Автоматизированный аквариумный комплекс Саратовского государственного технического университета на приборах ОВЕН
- Изучение регулятора ОВЕН ТРМ101 в Шосткинском химико-технологическом колледже
- Изучение методики программирования контроллера ОВЕН ПЛК100 в Шосткинском химико-технологическом колледже
- Лабораторные стенды на базе ОВЕН ПЛК150 в Ставропольском технологическом институте сервиса
- АСУ подготовки и пуска ракет и космических аппаратов на базе приборов ОВЕН в Военно-космической академии имени А.Ф. Можайского (г. Санкт-Петербург)
- Управление технологическим процессом приготовления бетона на базе ОВЕН ПЛК150 в Кемеровском государственном университете
- Исследование САР многоступенчатым техпроцессом на базе регулятора ТРМ251 в Самарском государственном аэрокосмическом
- Учебные стенды на базе оборудования ОВЕН во Владимирском государственном университете
- Производство и пайка печатных плат в Хмельницком национальном университете под контролем оборудования ОВЕН
- Управление многоступенчатыми температурно-влажностными режимами технологических процессов в Кировоградском Национальном техническом университете
- Исследование программируемых логических контроллеров ОВЕН ПЛК150 в Кировоградском Национальном техническом университете (Украина)
- На модели автоматической мойки автомобилей изучают ОВЕН ПЛК
- Исследование температурных полей в подкапотном пространстве автомобиля в Бузулукском гуманитарно-технологическом институте (филиал ГОУ ВПО «Оренбургский государственный университет»)
- Изучение средств автоматизации ОВЕН в Волгоградском государственном техническом университете
- Разработка установки анаэробного сбраживания органических отходов в Вятском государственном университете
- Использование средств автоматизации ОВЕН в учебном процессе в Костромском государственном технологическом университете
- Экспериментальная модель автоматической системы регулирования температуры в Уральском государственном техническом университете им. Б.Н. Ельцина
- Система управления накопителем сборочного РТК на базе ОВЕН ПЛК в Северо-Западном государственном заочном техническом университете (г. Санкт-Петербург)
- Модель теплицы на базе ОВЕН ПЛК154 в Технологическом институте Южного федерального университета
